
多能耦合系统是指在能源系统中,将太阳能(光伏/光热)、热泵、锅炉、热源之间通过一定的技术手段相互转换、相互补充、相互协调,实现供暖和生活热水的多能联供。相较于传统的供热方式,多能耦合供热系统能够在节省能源,降低排放,提高供热效率等方面发挥重要作用。
1.灵活性:多能耦合系统可以根据季节和不同温度需求动态调整运行模式,具有较强的稳定性和可靠性。
2.高效性:多能耦合系统可充分利用余热,大幅度提高热效率,同时减少能源浪费。
3.环保性:多能耦合系统采用可再生能源,减少燃烧产生的废气,实现绿色低碳生活。

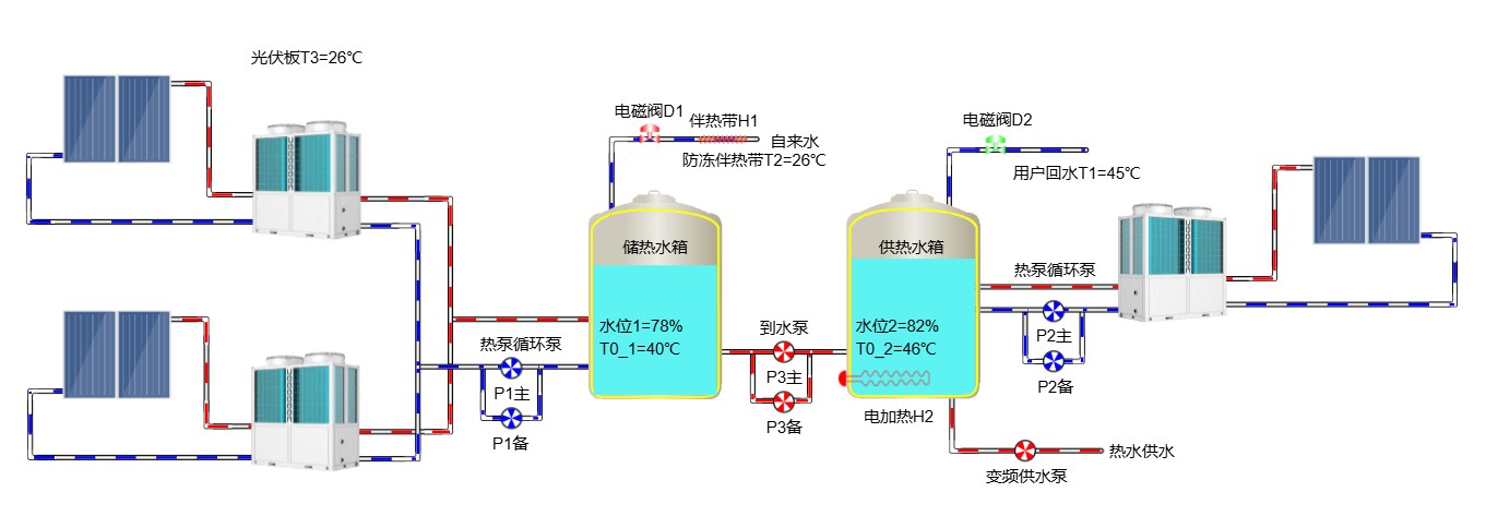
本系统为供热制冷+生活热水系统。采用多能耦合,PVT光伏/光热+空气源热泵+储热水箱,建筑面积32000平,采用12台285kw(冷负荷)空气源热泵,电负荷1140kw,最高日生活热水量为120m³/d,最大时用水量60m³/h。生活热水温度50℃。加热时间为7小时,采用额定制热量180kw的空气源热泵热水机组5台。PVT光伏组件共计994组,满足全天用热水的同时,产生487kw电能,综合计算年采暖运行费用16-18元/平,热水7-9元/吨。

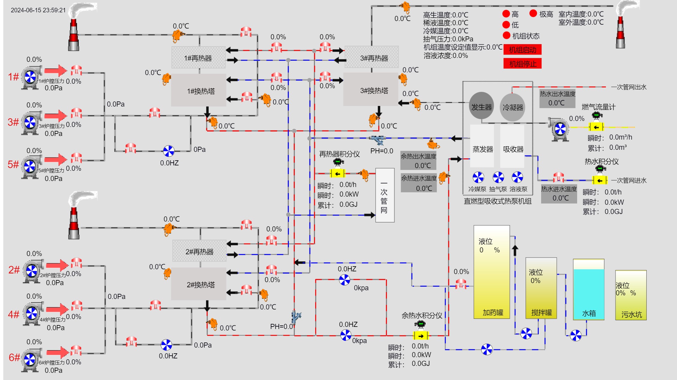
本系统设有制热量为6MW的燃气锅炉6台,目前供暖面积为82万平米,后期需要增加。燃气锅炉烟气的水蒸气在饱和状态下在烟囱出口预冷形成白烟,造成了一定的大气污染。本项目采用一台制热能力6.6MW的烟气吸收式热泵机组,采用天然气作为驱动能源,吸收烟气中的余热,转移到供暖管网中,增强了供暖能力,节约了供暖能源,同时降低了烟气中硫化物、氮化物的含量,减少了白烟的形成,甚至完全消失,对大气的超低排放改造、有色烟羽的“消白”的治理效果非常显著。节省近百万的运行费用,节能约15-20%左右。

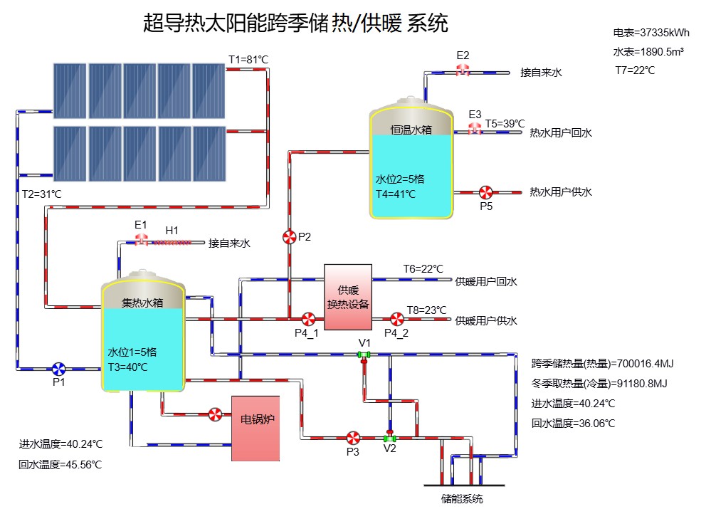
本系统为车间采暖+工人洗浴用热水。采用多能耦合,太阳能+跨季储热+储热水箱+电锅炉,采暖面积20000平,热负荷1600kw,最高用水量为88m³/天,最大时用水量20m³/h。生活热水温度55℃。本工程用水时间比较集中,在夏季末端不使用热水的时候,采用跨季储热,根据温差控制,冬季供暖时太阳能及储热满足不了末端使用时,再利用电锅炉进行补热。综合计算年采暖运行费用12-14元/平,热水10-12元/吨。

企业微信
在线客户
技术支持
地址:大连市甘井子区新水泥路666号 邮编:116033
电话:0411-66880557/66880562
传真:0411-66880585
邮箱:hd_dl@163.com
QQ:1092370331
公司不断创造优质产品,为客户提供节能、环保、完善的冷热解决方案。
大连鸿鼎的产品高效,节能使用和维护方便,为企业实现了节能减排,降低成本,增加经济效益。
诚信筑基、质量至上、品牌立业、广营天下是公司的宗旨。